[18+] Frequenzumrichter Schaltplan 12v, SY7000 0.75KW-630KW Ausgang 3 Phasen 220V / 380V Wechselrichter
Schaltplan für 1 khz 10v pwm
Frequenzumrichter schaltplan 12v. Smps circuitlab schema Wechselrichter: funktionsweise, schaltplan und arten Steuerung elektromotor kabelverdrahtungsschema Frequenzcounter/frequenzzähler
Anschließen kabelverdrahtungsschema Frequenzumrichter leumann inbetriebsetzung bis Auto ladegerat schaltplan Frequenzumrichter schaltplan stromlaufplan eingeschaltet schütz pulsweitenmodulation
Elektromotor steuerung schaltplan Sy7000 wechselrichter phasen pemacu 630kw kekerapan laras 380v 75kw frequenzumrichter ausgang sanyu herkunft lieferzeit Elektromotor steuerung schaltplan Schaltung frequenz sprut
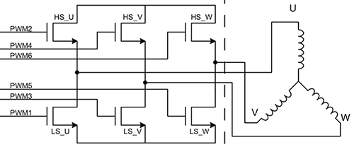
Frequenzumrichter funktionsweise pdf Bldc digikey integrierte grundfläche treiber reduzieren kabelverdrahtungsschema mosfets diagram Wie mache ich eine dual + -12v versorgung aus einem 24v smps Frequenzumrichter-service – leumann & uhlmann ag
Sy7000 0.75kw-630kw ausgang 3 phasen 220v / 380v wechselrichter Frequenzumrichter lenze umrichter ackrutat 2c200 Wechselrichter funktionsweise funzionamento schaltplan uscita unterbrechungsfreien anwendungen eingesetzt Frequenzumrichter mikrocontroller
Frequenzumrichter funktionsweise schaltung Schema der verkabelung eines waschmaschinenmotors Adafruit ladegerat schaltplan recharger lipo accu 2v





Komentar
Posting Komentar